Корпусный подшипник дровокола
код USP 206
Один из самых популярных подшипниковых узлов в стационарном корпусе – это подшипник UCP 206. Корпус крепится к поверхности, параллельной валу. Широкое внутреннее кольцо монтируется на вал и фиксируется двумя установочными винтами.
Корпус подшипника UCP 206 изготовлен из чугуна, что обеспечивает прочность, грузоподъемность и невысокую стоимость. Сверху на корпусе имеется смазочный ниппель, через который осуществляется повторное смазывание.
Размеры и характеристики подшипника UCP 206
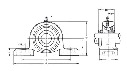
| Диаметр отверстия | 30 мм |
| Высота корпуса | 84 мм |
| Ширина внутреннего кольца | 38,1 мм |
| Грузоподъемность статическая | 10,04 кН |
| Грузоподъемность динамическая | 14,97 кН |
| Масса (вес) | 1,25 кг |
Подшипниковый узел UCP 206 оснащается вставным подшипником UC 206, который подходит для вала диаметром 30 мм. За счет сферической поверхности диаметром 62 мм обеспечивается самоустановка. Размер крепежных болтов для корпуса – M14. Масса всего изделия, что особенно важно при перевозке, порядка 1,25 кг.
Выпускаются дюймовые подшипники примерно такого же типоразмера, которые имеют цифровой суффикс от UCP 206-17 до UCP 206-20 (либо от UCP 206-101 до UCP 206-104), под валы диаметрами от 1 1/16 до 1 1/4 дюйма соответственно.
Высокотемпературный подшипник UCP 206 имеет суффикс T20, низкотемпературный – T04.
Чертеж подшипника UCP 206

Особенности и применение
Особенностями подшипника UCP 206 являются удобство в установке, выгодное соотношение цена/качество, способность к самовыравниванию по углу между корпусом и валом.
Подшипники UCP применяются в конвейерах – линиях транспортировки и обработки, сортировочных и упаковочных машинах, механических трансмиссиях стационарного оборудования, приводах узлов и агрегатов. Основные отрасли и предприятия – это пищевая промышленность и производство напитков, деревообработка, добыча полезных ископаемых, ремонт и техническое обслуживание, склады и логистические центры, объекты инфраструктуры.
Автоклавы/Дистилляторы
Автоклавы
Дистилляторы
Запчасти к автоклавам и дистилляторам
Газовые шкафы
Подставка для шкафа
Доильные аппараты
Доильная аппаратура (бидоны)
Доильные аппараты "Буренка"
Доильные аппараты "Фермер"
Доильные аппараты для коз
Доильные аппараты для коров
Запчасти к доильным аппаратам
Дровоколы
Сопутствующие товары для дровоколов
Души и Баки
Баки для душа
Душ-туалет
Души "Малибу"
Души "Нептун"
Каркасы для душа
Лейки для дачного душа
Сопутствующие товары для дачных душей
Измельчители зерна
Запчасти к измельчителям зерна
Мельницы для зерна и специй
Измельчители зерна "Терммикс"
Измельчители "Уральские Хрюшки"
Измельчители зерна "Нива"
Измельчители зерна "Три поросёнка"
Измельчители зерна "Урожай"
Измельчители зерна "Фермер"
Измельчители зерна "Циклон"
Измельчители зерна "Ярмаш"
Измельчители зерна "Электромаш"
Молотковые измельчители зерна
Инкубаторы
Аксессуары к инкубаторам
Запасные части для инкубаторов
Инкубаторы "Блиц"
Инкубаторы "Несушка"
Инкубаторы "Норма"
Сопутствующие товары для птицеводства
Казаны
Афганские казаны
Дополнительные аксессуары для казанов
Крышка-сковорода
Крышки к казанам
Подставки и треноги для казанов
Мангалы
Печи для казанов
Садж
Сковороды-жаровни
Шампуры
Кормоизмельчители
Кормоизмельчители "Алькор"
Запчасти к кормоизмельчителям
Кормоизмельчители "Зубр"
Кормоизмельчители "ИКБ"
Кормоизмельчители "Лан"
Кормоизмельчители "Нива"
Кормоизмельчители "Циклон" УЗБИ
Кормоизмельчители "Электромаш"
Кормоизмельчители "Энергопром"
Кормоизмельчители "Терммикс"
Кормоизмельчители Фермер "Уралспецмаш"
Кормоизмельчители для кукурузы
Зернодробилка, кормоизмельчители, траворезка (3в1)
Кормоизмельчители для сена, соломы и травы
Кормоизмельчители для яблок и винограда
Кукурузолущилки
Кормоизмельчители для солода
Молотковые кормоизмельчители
Ручные кормоизмельчители
Машинки для стрижки овец
Ножницы для стрижки животных
Запасные части и дополнительные принадлежности к машинкам для стрижки овец
Отопление
Газовые обогреватели
Печи
Солярогазы
Экраны на батареи
Электрические обогреватели
Переработка овощей и фруктов
Дробилки для винограда
Прессы винтовые
Соковыжималки
Термошкафы
Поилки и кормушки
Бункерные кормушки и вакуумные поилки
Комплектующие для систем поения
Ниппельные поилки для коз и овец
Ниппельные поилки для кроликов
Ниппельные поилки для птиц
Ниппельные поилки для свиней
Чашечные кормушки
Чашечные поилки
Растениеводство
Фитосветильники
Сепараторы и маслобойки
Запасные части к сепараторам и маслобойкам
Умывальники дачные
Умывальники "Терммикс"
Умывальники "Технобыт"
Дополнительные принадлежности к дачным умывальникам
Навесные комплекты
Рукомойники
Умывальники "Элвин"
Водоналивные бачки
Дачные умывальники без подогрева
Дачные умывальники ДУЭТ
Дачные умывальники с подогревом
Дачные умывальники, бачок нержавейка
Тумбы для дачных умывальников
Умывальники "Акватекс"
Умывальники "Метлес"
Умывальники "Петромаш" (Премиум)
Умывальники "ЭЛБЭТ"
Хозяйственные товары
Клейкая лента "скотч"
Духовки
Мясорубки
Паяльные лампы
Скороварки
Снегоуборочный инвентарь
Туристические товары
Щётки для обуви
Электропечи
Электродвигатели
Запчасти для электродвигателей в измельчителях зерна
Отзывов пока нет